Pepperl+Fuchs Inductive sensor CBB8-18GS75-E2-V1

  • NG # 04159-HW-PEP-041

  • MF # CBB8-18GS75-E2-V1

Field‑installable capacitive proximity sensor designed to detect the presence of targets without physical contact. Flush installation with adjustable switching distance and robust construction suitable for industrial applications

Manufactured By :
Pepperl+Fuchs
Need Help Ordering?
Call +88 01714243446

Custom Pricing

Get A Quote
Need Help Ordering?
Call +88 01714243446

Stock

Custom Pricing

Get A Quote

Overview

The CBB8‑18GS75‑E2‑V1 is a capacitive sensor part of the Pepperl+Fuchs proximity sensor portfolio. It is engineered for industrial automation environments where reliable object detection is required. The sensor features a defined sensing distance, PNP output, and protective housing with an M12 connector interface. It supports standard industrial voltages and offers protection against harsh conditions.

Specification

General Characteristics

  • Sensing type: Capacitive proximity sensing
  • Installation: Flush mountable
  • Rated operating distance: 1 … 8 mm
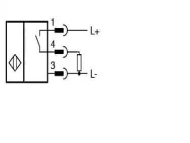
  • Output type: PNP normally open (NO)
  • Output configuration: 3‑wire DC

Electrical Data

  • Operating voltage range: 10 … 30 V DC
  • Switching frequency up to: 100 Hz
  • Reverse polarity protection: Yes
  • Short‑circuit protection: Pulsing approved

Indicators and Adjustment

  • LED indication for power and switching status
  • Potentiometer for sensitivity adjustment

Mechanical and Environmental

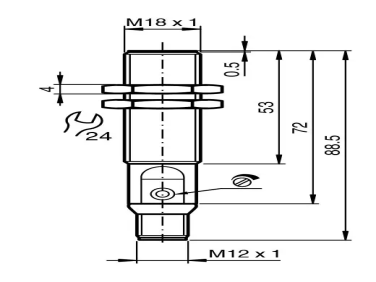
  • Housing connection: Connector plug with M12 x 1 interface
  • Degree of protection: IP67
  • Ambient temperature operating range: –25 … 85 °C
  • Housing material: Stainless steel with PBT sensing face
  • Sensor dimensions: 18 mm diameter, 88 mm length

Output and Performance

  • Rated operating distance: Adjustable up to 8 mm
  • PNP switching output with DC output polarity
  • Designed for industrial sensing tasks

Other Pepperl+Fuchs Products

Pepperl+Fuchs Inductive sensor NBN4-F25-E8-V1

Pepperl+Fuchs Computer & Electronics 04175-HW-PEP-057

Pepperl+Fuchs 3-D stereo sensor VSE1000-F400-B12-A1000

Pepperl+Fuchs Industrial Tools & Accessories 02058-HW-PEPPERL-003 02058-HW-PEPPERL-003

Pepperl+Fuchs Inductive proximity sensor

Pepperl+Fuchs Industrial Tools & Accessories 2259-HW-PEP-011

Pepperl+Fuchs Inductive sensor NBB8-18GM60-US

Pepperl+Fuchs Computer & Electronics 04170-HW-PEP-052

Pepperl+Fuchs Inductive sensor NBN8-12GM50-E2

Pepperl+Fuchs Computer & Electronics 04178-HW-PEP-060

Pepperl+Fuchs Inductive sensor NBB1-4GM22-E2

Pepperl+Fuchs Computer & Electronics 04162-HW-PEP-044

Pepperl+Fuchs Inductive sensor NBN12-18GM50-A2-V1

Pepperl+Fuchs Computer & Electronics 04171-HW-PEP-053

Pepperl+Fuchs Through-beam ultrasonic barrier UBE4000-30GM-SA2-V15

Pepperl+Fuchs Industrial Tools & Accessories 02062-HW-PEPPERL-007

Through-beam photoelectric sensor

Pepperl+Fuchs Industrial Tools & Accessories 2267-HW-PEP-019

Pepperl + Fuchs Retroreflective Photoelectric Sensor, Block Sensor, 12 m Detection Range

Pepperl+Fuchs Industrial Tools & Accessories 03010-HW-PEP-030

Pepperl+Fuchs Inductive sensor CCN15-30GS60-E2-V1

Pepperl+Fuchs Computer & Electronics 04160-HW-PEP-042

Pepperl+Fuchs 3-D Time-of-Flight sensor VTE7500-F400-B12-A1500

Pepperl+Fuchs Industrial Tools & Accessories 02059-HW-PEPPERL-004 02059-HW-PEPPERL-004

Pepperl+Fuchs Inductive sensor NBN4-F29-E2

Pepperl+Fuchs Computer & Electronics 04176-HW-PEP-058

Pepperl+Fuchs Inductive sensor NMB5-12GM65-E2-V1

Pepperl+Fuchs Computer & Electronics 04158-HW-PEP-040

Pepperl+Fuchs Inductive sensor NBB5-18GM60-WS

Pepperl+Fuchs Computer & Electronics 04154-HW-PEP-037

Pepperl + Fuchs Inductive Block Proximity Sensor, 40 mm Detection, PNP NO, 10 → 30 V dc

Pepperl+Fuchs Industrial Tools & Accessories 03005-HW-PEP-025

Pepperl+Fuchs Inductive sensor NBB20-U1-E2

Pepperl+Fuchs Computer & Electronics 04166-HW-PEP-048

Pepperl+Fuchs Inductive sensor NBB15-30GM50-A2-V1

Pepperl+Fuchs Computer & Electronics 04148-HW-PEP-031

Inductive proximity switch VariKont series

Pepperl+Fuchs Industrial Tools & Accessories 2264-HW-PEP-016

Pepperl+Fuchs Capacitive proximity sensor

Pepperl+Fuchs Industrial Tools & Accessories 2265-HW-PEP-017

BUYERS WHO LIKED THIS PRODUCT ALSO LIKED

Veritas NetBackup 5340 - hard drive array

veritas Computer & Electronics 00004-SW-VER-001

Veritas NetBackup 5340 - hard drive array

veritas Computer & Electronics 00005-SW-VER-002

Veritas NetBackup 5340 - hard drive array

veritas Computer & Electronics 00006-SW-VER-003 20078-M4217

Emarson Box PC RXi2-XP

EMERSON Computer & Electronics 00101-HW-EMR-001 00101-HW-EMR-001

Advantech MIC-7700 Compact Fanless System with Intel Core i CPU Socket

Advantech Computer & Electronics 00102-HW-ADV-002

Modular Multi-touch Panel PC

Advantech Computer & Electronics 00107-HW-ADV-004

MITAC INTEL TIGER LAKE I3-1115G4E FANLESS INDUSTRIAL EMBEDDED SYSTEM, VPRO, TPM 2.0

MiTAC Computing Technology Computer & Electronics 00111-HW-MTC-008 00111-HW-MTC-008

MITAC MP1-11TGS TIGER LAKE I7-1185G7E FANLESS INDUSTRIAL EMBEDDED SYSTEM, VPRO, TPM 2.0

MiTAC Computing Technology Computer & Electronics 00112-HW-MTC-009 00112-HW-MTC-009

managed ethernet switch ex9200 series

Computer & Electronics 00114-HW-JI-010 00114-HW-JI-010

Juniper Networks NFX250 Network Services Platform - application accelerator

Juniper Networks Computer & Electronics 00115-HW-JI-011

Cisco Catalyst 9600 Series Networking Switch

Cisco Computer & Electronics 00116-HW-CIC-012 00116-HW-CIC-012
Your privacy

When you visit any website, it may store or retrieve information on your browser, mostly in the form of cookies. This information might be about you, your preferences or your device and is mostly used to make the site work as you expect it to. The information does not usually directly identify you, but it can give you a more personalized web experience. Because we respect your right to privacy, you can choose not to allow some types of cookies. Click on the different category headings to find out more and change our default settings. However, blocking some types of cookies may impact your experience of the site and the services we are able to offer. You can get more information by going to our Privacy Policy or Statement in the footer of the website.

Strictly necessary cookies
Always active

These cookies are necessary for the website to function and cannot be switched off in our systems. They are usually only set in response to actions made by you which amount to a request for services, such as setting your privacy preferences, logging in or filling in forms. You can set your browser to block or alert you about these cookies, but some parts of the site will not then work. These cookies do not store any personally identifiable information.

Cookies details
Performance cookies

These cookies allow us to count visits and traffic sources so we can measure and improve the performance of our site. They help us to know which pages are the most and least popular and see how visitors move around the site. Most of these cookies collect and process aggregated (anonymized) information without identifying individuals. If you do not allow these cookies we will not know when you have visited our site, and will not be able to monitor its performance.

Cookies details
Functional cookies

These cookies enable the website to provide enhanced functionality and personalisation. They may be set by us or by third party providers whose services we have added to our pages. If you do not allow these cookies then some or all of these services may not function properly.

Cookies details
Targeting cookies

These cookies may be set through our site by our advertising partners. They may be used by those companies to build a profile of your interests and show you relevant adverts on other sites. They do not store directly personal information, but are based on uniquely identifying your browser and internet device. If you do not allow these cookies, you will experience less targeted advertising.

Cookies details
Ask Query
All RFQ Product Added In Query!

Check all added RFQ in one place, hit the button to show all added RFQ.

Submit RFQ